Product
Back
- ebmpapst
- ZIEHL-ABEGG
- DELTA
- SUNON
- Rosenberg
- SODECA
- FULLTECH
- Nicotra Gebhardt
- S&P
- Wistro
- San Ace
- SANMU
- ADDA
- NMB-MAT
- WEIGUANG
-
HVAC Controls & Components
-
Sanhua
4 Way Reversing Vavle Electronic Expansion Valve Driver Electronic Expansion Valve Electronic Shut-off Valve Ball Valve Electronic Expansion Valve Controller Refrigerated Cabinet Controller Pressure Transducer Solenoid Valve Thermostatic Expansion Valve Pressure Control Check Valve Sight Glass Pressure Regulator Liquid Injector Brass Service Valve Charge Valve Filter Drier Drain Pump Accumulator Liquid Receiver Oil Separator
-
Fengshen
Pressure Control Differential Pressure Control Temperature Control Flow Switch Pressure Controlled Water Valve Evaporation Pressure Regulating Valve Temperature Controlled Water Valve Solenoid Valve Thermostatic Expansion Valve Temperature Responsive Expansion Valve Constant Pressure Expansion Valve (Hot Gas Bypass) Pilot and Main Valve Forerunner Pressure Regulating Valve Sight Glass
- Magic
- Sonyo
- CAREL
- Tecumseh
- Danfoss
- Emerson
-
Sanhua
- HVAC Terminal Units
- Multifan
- Accessories
Ebm-papst S4D500-AM01-04 Condenser AC Axial Cooling Fan | Easy Installation & Maintenance
Brand:
ebmpapst
Document:
Category:
Axial Fan
Description:
1、Low Noise & Optimized Aerodynamic Design
Advanced aerodynamic airflow design effectively reduces air noise while maintaining high airflow performance for quieter operation.
2、High-Efficiency Impeller for Stable Performance
Optimized impeller geometry minimizes energy loss and significantly improves overall efficiency with stable, reliable operation.
Advanced aerodynamic airflow design effectively reduces air noise while maintaining high airflow performance for quieter operation.
2、High-Efficiency Impeller for Stable Performance
Optimized impeller geometry minimizes energy loss and significantly improves overall efficiency with stable, reliable operation.
Nominal data
Brand:
ebmpapst
Part No.:
S4D500-AM01-04
Fan Type:
Axial Fan
Rated Voltage(V):
480
Size(mm):
500
Max.Air Flow(m³/h):
Max.Pressure(Pa):
160
Input Power(W):
1050
Speed(rpm):
1590
Noise(db):
Description
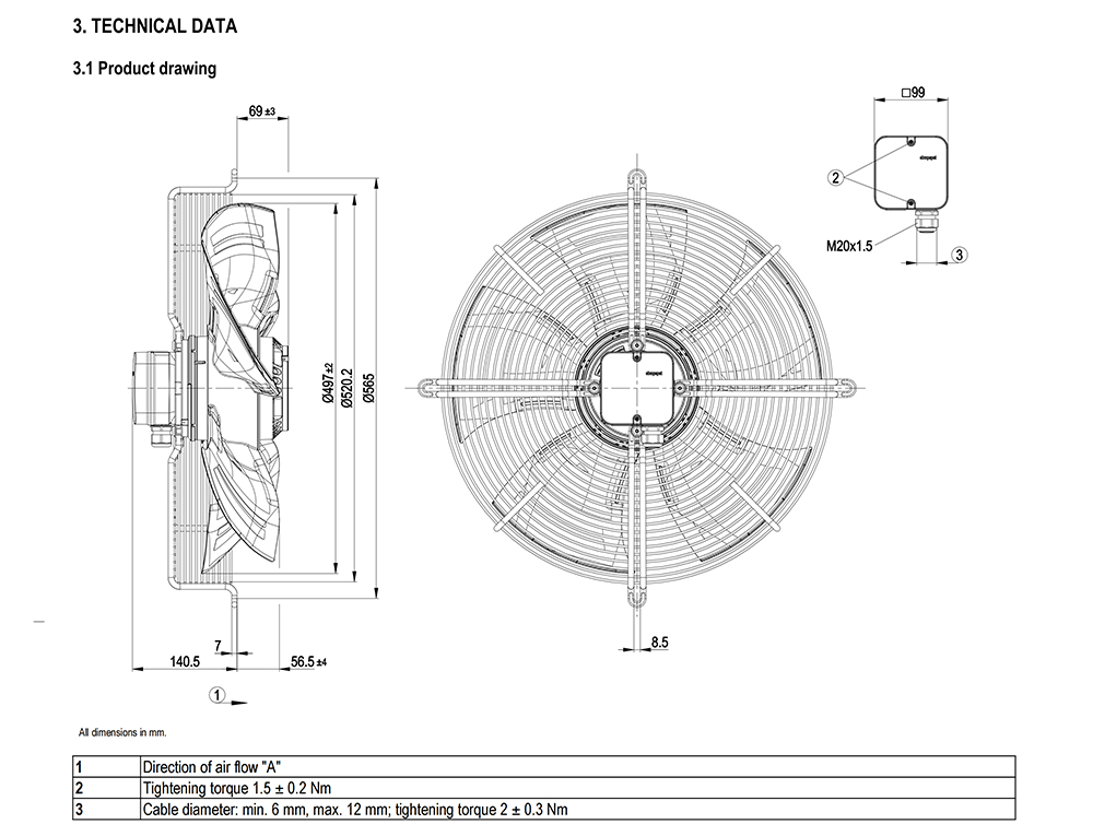
S4D500-AM01-04 Ebm-papst Specification drawing:

































































English
Français
Deutsch
Português
Español
русский
한국어
العربية
Italiano
Indonesia
Schweiz
Polski
Nederlands
ישראל - עברית
Perzisch
ไทย
日本語
ኢትዮ-አማርኛ
Việt Nam
Kiswahili
Srpski
Ελληνικά
繁體中文








